- Double Pumps
| Series | Displacement of shaft end pump | Displacement of cover end pump | ||||
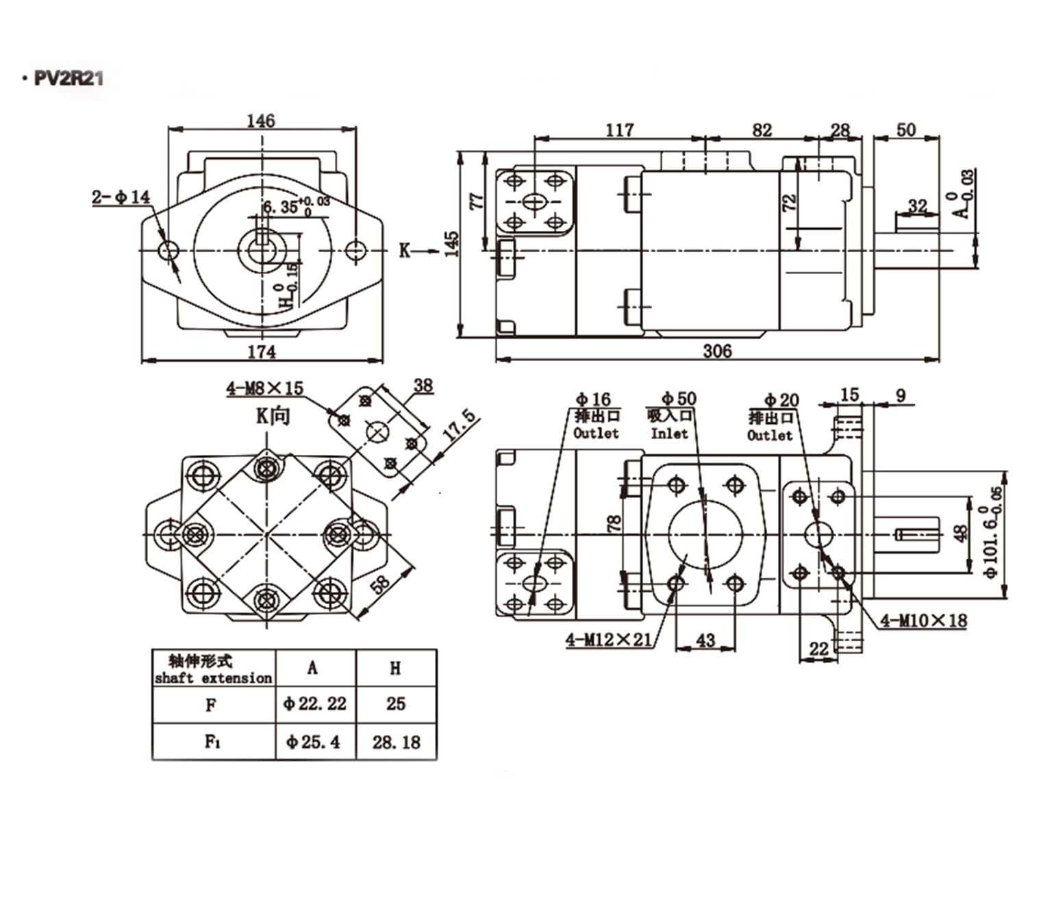
| PV2R21 | 17、26、33、41、47、53、59、65、70、75、85 | 4、6、8、10、12、14、17、19、23、25、28、31 | ||||
| Series | Displacement of shaft end pump | Displacement of cover end pump | ||||
| PV2R21 | 17、26、33、41、47、53、59、65、70、75、85 | 4、6、8、10、12、14、17、19、23、25、28、31 | ||||


The PV2R series hydraulic vane pump is a high-performance solution designed for industrial systems requiring stable pressure, low noise, and long service life. Manufactured with high-precision machining and advanced vane materials, the PV2R pump delivers excellent volumetric efficiency and consistent output flow even under continuous high-pressure operation.
This pump is widely used in hydraulic stations, CNC machine tools, injection molding machines, forging equipment, and other industrial applications where reliable pressure control is essential. Its compact structure allows easy installation in limited spaces, making it suitable for both new system designs and equipment upgrades.
The PV2R vane pump adopts an optimized internal oil distribution plate and balanced design, significantly reducing flow ripple and noise levels compared with conventional vane pumps. This improves machine performance and helps manufacturers meet increasingly strict noise-control requirements. The hardened vanes and precision-ground cam ring ensure long-term durability, stable operation, and reduced maintenance frequency.
The series is available in multiple displacements and configurations, including PV2R12, PV2R23, PV2R33, and others, allowing users to select the ideal model according to pressure, flow rate, and installation needs. Each pump is thoroughly tested before delivery to ensure stable performance in demanding industrial environments.
For OEM projects, customized configurations and branded labeling are available. Whether you are upgrading existing hydraulic equipment or designing a new system, the PV2R series provides a dependable and cost-effective solution with proven performance in global markets.
A1: The PV2R hydraulic vane pump is designed for high-pressure applications, with a maximum working pressure up to 210 bar, depending on the model and displacement. It maintains stable output flow under continuous operation.
A2: The PV2R series offers low noise, high volumetric efficiency, long service life, stable pressure control, and a compact design. These features make it suitable for CNC machines, hydraulic stations, injection molding, and industrial automation systems.
A3: Common models include PV2R12, PV2R23, PV2R33, and other displacement options. Each model supports different flow rates and installation sizes to match various hydraulic system requirements.
A4: Yes. We provide OEM & ODM services, including customized specifications, flow rates, mounting options, and branding. Technical drawings or samples can also be produced according to customer requirements.
A5: The pump is compatible with standard anti-wear hydraulic oils, including ISO VG32–VG68 grades. For best performance and long service life, clean and properly filtered oil is recommended.
A6: Standard models are usually available for delivery within 3–7 working days. Customized or large-quantity orders may require additional lead time depending on production schedule.
Taizhou Dengxu Hydraulic Machinery Co., Ltd. is a Wholesale PV2R21 High Pressure Control Pump Double Hydraulic Vane Pump With Low Noise Suppliers and OEM/ODM PV2R21 High Pressure Control Pump Double Hydraulic Vane Pump With Low Noise Factory. Taizhou Dengxu Hydraulic Machinery Co., Ltd. – your trusted hydraulic solution partner. With 15 years of domestic and international sales experience, we deliver top-tier hydraulic components through advanced research and development as well as production management, strict quality control, and cost-effective professional services.
Our core products: vane pumps, gear pumps, hydraulic valves, hydraulic motors, hydraulic electric motors, hydraulic accessories, and custom hydraulic systems.
Our team has over 20 years of experience in the hydraulic export field, emphasizing both quality and price. Focusing on the hydraulic sector, it is safer to cooperate with a professional company.
We have testing lab and advanced inspection equipment, which can ensure the quality of the products.
We have a strong R&D team which can produce products according to the drawings or samples.
We have our own machining factory and accept large quantity purchase orders from customers. These allow us to control mass production and costs well, so that we can offer better price.
Vane pumps are a common type of positive displacement pump used in numerous applications, from power steering systems in automobiles to hydraulic systems in industrial machinery and fuel transfer oper...
Vane pumps are widely used in hydraulic systems for their ability to deliver consistent flow under variable pressure conditions. Among the available types, the YB1 Series Vane Pump is commonly applied...
1. Design and Operation The T Series Pin Vane Pump operates on a unique principle compared to gear and piston pumps. Instead of gears or pistons, the pump utilizes sliding vanes that rotate around a c...
The YB-D series vane pump is commonly used in medium-pressure hydraulic systems, particularly in industrial equipment that requires stable flow and relatively low noise. Despite its practical advantag...